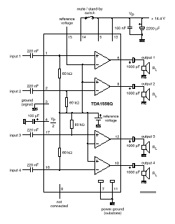
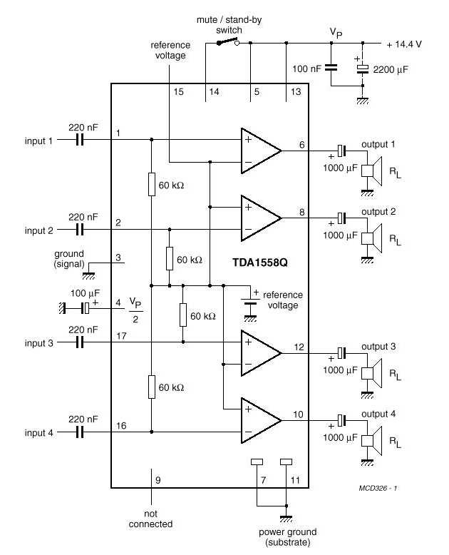
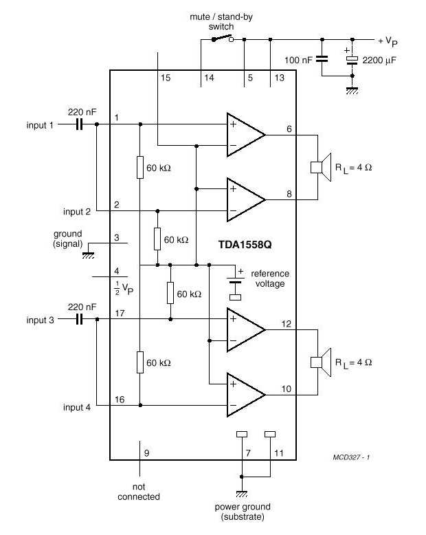
TDA 1558Q (изготовитель - Philips).


    Микросхема TDA1558Q представляет собой оконечный УМЗЧ для автомагнитол. Микросхема может включаться как УМЗЧ с четырьмя независимыми каналами с максимальной мощностью по 11 Вт в каждом канале при сопротивлении нагрузки 2 Ом, так и по мостовой схеме: два канала по 22 Вт, сопротивление нагрузки -  4 Ом.
    Во время испытаний усилитель был подключен к стабилизированному источнику питания с напряжением 15 В. В качестве нагрузки использовались акустические системы "Амфитон" 25АС-027.

  • Что понравилось
  • Для сборки схемы нужен минимум деталей. Можно даже не утруждать себя созданием печатной платы и использовать навесной монтаж.
  • Даже на полной мощности микросхема слабо греется, поэтому можно обойтись небольшим теплоотводом (мы использовали теплоотвод для 486-го процессора).
  • Не требуется никакой настройки.
  • Во время включения схемы с нестабилизированным источником питания (фильтр питания был исключен из схемы усилителя) нами не было отмечено изменения качества звука.
  • Что не понравилось
  • При весьма хорошем, в общем, звучании, все-таки ощущается некоторая нехватка нижних частот.

  •  
  • Общая оценка 8 из 10
  • Мы рекомендуем этот усилитель тем, кто не доволен звучанием звуковой карты компьютера, но, в то же время, не хочет (или уже не имеет возможности) подключить линейный выход с карты к стереосистеме. Разница в качестве звука, даже с использованием не столь качественных акустических систем (например "Радиотехника" S-30), просто потрясающая.

     

    Подробней 002_1.jpg Подробней 002_2.jpg
    Мостовое включение
    микросхемы TDA1558Q (2х22Вт)
    Типовое включение
    микросхемы TDA1558Q (4х11Вт)